+86 137 5010 5351
EN
March. 19, 2026
For engineers and product designers seeking manufacturing partners who deliver precision consistently, understanding what is CNC machining process is essential knowledge. At Brightstar, we define CNC machining as a subtractive manufacturing method where computer-controlled tools remove material from a solid workpiece to create precise components. This digital approach transforms raw stock into finished parts with accuracy and repeatability that manual methods simply cannot achieve.

What is CNC machining process in practical terms? It begins with a digital 3D model that guides automated machinery through every cutting operation. The CNC machining process explained simply: software converts design data into machine instructions, and Brightstar's equipment executes these commands to shape materials including metals, plastics, and composites. This seamless integration of design and production forms the foundation of modern CNC manufacturing process overview.
The importance of this technology in today's industrial landscape cannot be overstated. CNC machining enables the production of complex geometries with tight tolerances, making it indispensable for aerospace, medical, and automotive applications. Brightstar's commitment to this process ensures that every component leaving our facility meets the exacting standards that engineers and product designers demand, bridging the gap between innovative concepts and reliable finished products.
Understanding the CNC machining process steps in detail helps engineers appreciate the precision behind every component. At Brightstar, we follow a systematic sequence that transforms digital designs into finished parts with uncompromising accuracy.
The journey begins with 3D modeling. Using Computer-Aided Design software, engineers create a detailed digital representation of the required component. This model defines every dimension, tolerance, and feature that the final part must possess.
The CAD CAM CNC machining process continues as the design moves into CAM software. Here, toolpaths are calculated, cutting strategies are optimized, and machining parameters are defined. This critical stage determines how the tools will move, how fast they will cut, and what sequences will produce the best results.
The CAM software outputs a file containing G-code CNC machining process instructions. This alphanumeric language—the native tongue of CNC machines—commands every axis movement, spindle speed, and tool change. The precision of this code directly impacts part quality.
With the program ready, Brightstar's technicians prepare the equipment. The raw workpiece is secured firmly in the machine vise or fixture. Tools are loaded into the magazine, and work offsets are established to align the virtual coordinates with physical space.
The final stage brings everything together. The CNC machine executes the CNC machining process steps in detail, automatically changing tools and removing material according to the programmed instructions. Throughout the cycle, the control system monitors performance, ensuring consistent cutting conditions and dimensional accuracy until the finished part is complete.
Brightstar's manufacturing capabilities encompass a range of precision operations to meet diverse engineering requirements. Understanding these fundamental CNC machining process techniques helps designers optimize parts for manufacturability.
The CNC milling process uses rotating multi-point cutting tools to remove material from a stationary workpiece. As the tool rotates at high speed, it moves across multiple axes to create slots, holes, and complex 3D contours. Milling is ideal for prismatic parts with flat surfaces, pockets, and intricate features. Brightstar's milling centers handle everything from prototype quantities to production runs with consistent precision.
In the CNC turning process, the workpiece rotates rapidly while a stationary cutting tool shapes the outer diameter. This operation produces cylindrical components such as shafts, bushings, and threaded parts. Modern turning centers can also perform drilling and milling operations in a single setup, reducing handling time and improving accuracy.
Precision holemaking is essential across industries. CNC drilling operations create accurate holes for fasteners, fluid passages, and assembly features. Brightstar employs specialized cycles that control peck depth and retraction to optimize chip evacuation and tool life.
The multi-axis CNC machining process represents advanced capability. By adding rotational axes beyond standard X, Y, and Z movement, complex geometries can be machined in fewer setups. This CNC machining process enables the production of impellers, turbine blades, and medical implants with exceptional surface finish and dimensional accuracy.
Selecting the right material is critical to the success of any CNC machining process. Brightstar offers a diverse range of CNC machining materials for various engineering applications, each with unique mechanical properties and machining characteristics. Material selection directly impacts part functionality, durability, cost, and final application performance.
Aluminum CNC machining is one of the most common processes in manufacturing. Aluminum alloys are widely used due to their excellent combination of properties:
• 6061 Aluminum: The most versatile aluminum alloy, offering good machinability, moderate strength, excellent corrosion resistance, and weldability. Ideal for structural parts, frames, brackets, and consumer electronics.
• 7075 Aluminum: Higher strength than 6061, commonly used in aerospace and high-stress applications such as aircraft components and tooling.
• 2024 Aluminum: Excellent strength-to-weight ratio but lower corrosion resistance, often found in aerospace structural applications.
Steels are preferred for structural components requiring high strength and wear resistance:
• Low-Carbon Steel (e.g., 1018): Easy to machine and weld, suitable for general structural parts and fasteners.
• Stainless Steel (e.g., 304, 316): Superior corrosion resistance. 304 is suitable for food equipment and architectural trim; 316 contains molybdenum for enhanced resistance to acids and alkalis, commonly used in medical devices and marine engineering.
• Tool Steel (e.g., D2, A2): High hardness and excellent wear resistance, ideal for cutting tools, dies, and punches.
• Brass: Excellent electrical conductivity, corrosion resistance, and attractive gold-like appearance. Easy to machine, commonly used for electrical connectors, pipe fittings, and decorative components.
• Copper: Superior electrical and thermal conductivity, ideal for electrical components and heat sinks.
• Titanium (e.g., Grade 5/6Al-4V): Exceptional strength-to-weight ratio and biocompatibility, excellent corrosion resistance. Widely used in aerospace, medical implants, and high-performance racing components, though challenging to machine.
CNC machining plastics offer lightweight, corrosion-resistant, and cost-effective solutions for specific applications.
General Engineering Plastics:
• ABS: High impact strength, good heat resistance, easy to machine. Suitable for enclosures, protective housings, and consumer product prototypes.
• Delrin (Acetal/POM): High stiffness, low friction coefficient, excellent dimensional stability. Commonly used for precision gears, bearings, and bushings.
• Nylon (6/6): Good wear resistance, high strength, self-lubricating properties. Ideal for wear parts, bushings, and sliding components.
• Polycarbonate (PC): High transparency, exceptional impact resistance. Suitable for protective shields, windows, and transparent structural parts.
High-Performance Engineering Plastics:
• PEEK (Polyetheretherketone): High temperature resistance (up to 250°C), excellent chemical resistance, high mechanical strength. Commonly used in demanding aerospace, medical, and semiconductor applications.
• PTFE (Teflon): Extremely low friction coefficient, excellent chemical resistance, outstanding electrical insulation. Suitable for seals, gaskets, and bearings.
• Acrylic (PMMA): High optical clarity, good weather resistance, easy to polish and bond. Commonly used for displays, lighting fixtures, and decorative components.
Brightstar's machining experts help clients select the most appropriate CNC machining materials based on each project's functional requirements—including strength needs, operating environment, tolerance requirements, and budget constraints—ensuring the optimal balance between performance and cost for the final product.
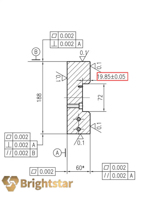
In precision engineering, tolerance defines the permissible limit of variation in a part's physical dimension. Understanding CNC machining process tolerance is essential for designers who demand components that fit and function exactly as intended. At Brightstar, we recognize that tighter tolerances increase manufacturing complexity and cost, making proper specification a critical design decision.
Standard CNC machining typically achieves tolerances of ±0.005 inches (0.13 mm) for most features. However, the precision CNC machining process at Brightstar routinely holds tolerances as tight as ±0.0005 inches (0.0127 mm) when applications require it. This level of precision is essential for aerospace components, medical devices, and critical mechanical assemblies where even microscopic deviations affect performance.
Several variables influence achievable precision. Machine condition plays a fundamental role—rigid, well-maintained equipment with minimal spindle runout produces more accurate parts. Tool selection and wear also matter; sharp, appropriate tooling maintains dimensional stability throughout production runs.
Material properties significantly impact the CNC machining process tolerance. Aluminum machines predictably with minimal distortion, while harder materials like titanium or heat-treated steels require careful parameter adjustment to prevent deflection. Thermal expansion during cutting can alter dimensions, particularly in long-duration operations.
Brightstar's approach combines skilled programming, strategic fixturing, and in-process inspection to maintain specified tolerances. By understanding these variables, we deliver components that meet the exacting demands of modern engineering applications.
CNC machining serves as the backbone of modern manufacturing across virtually every industry sector. Its ability to produce complex geometries with repeatable precision makes it indispensable for both prototyping and high-volume production. Understanding the diverse CNC machining applications helps engineers recognize when to specify this technology for their components.
The aerospace sector demands uncompromising quality and reliability. CNC machining produces critical components including turbine blades, structural airframe parts, engine mounts, and landing gear components. These applications require tight tolerances and the ability to work with exotic alloys like titanium, Inconel, and high-strength aluminum. The CNC manufacturing industries most reliant on precision include aerospace, where component failure is not an option.
From prototype development to production runs, automotive manufacturing depends on CNC machining. Engine blocks, transmission housings, cylinder heads, and custom performance parts are routinely produced using this technology. The automotive sector values the consistency that CNC provides across thousands of identical components, ensuring proper fit and function in every vehicle.
Medical device manufacturing represents one of the fastest-growing CNC machining applications. Surgical instruments, orthopedic implants (knees, hips), dental components, and prosthetics require the exceptional surface finish and biocompatible material processing that CNC delivers. The ability to maintain sterile design requirements while achieving microscopic precision makes CNC indispensable for medical innovation.
Miniaturization drives electronics manufacturing. CNC machining produces heat sinks, device enclosures, connectors, and semiconductor handling components. The precision required for delicate electronic assemblies, combined with the thermal management properties of machined metals, makes this technology essential for modern electronics.
Defense applications demand rugged durability and material traceability. CNC machining produces weapon system components, optical housings, vehicle parts, and communication equipment that must perform reliably in extreme conditions. Compliance with strict military specifications requires the repeatable accuracy that only CNC can provide.
Oil and gas, nuclear, and renewable energy industries rely on CNC-machined components. Valve bodies, pump components, turbine parts, and drilling equipment must withstand high pressures and corrosive environments. CNC machining enables the use of specialized alloys while maintaining pressure-containing capability.
Saltwater exposure demands corrosion-resistant materials and robust construction. Marine CNC applications include propellers, shaft components, underwater housing, and navigation equipment. The long-term durability required in marine environments makes precision machining essential.
From appliance components to sporting equipment and luxury items, CNC machining touches everyday products. The technology enables aesthetic finishes, design flexibility, and cost-effective production runs that bring innovative consumer products to market.
These CNC manufacturing industries continue expanding as technology advances, enabling innovation across all sectors. The versatility of CNC machining ensures its position as the premier manufacturing process for precision components worldwide.
Effective design for CNC machining principles can significantly reduce production costs while improving part quality. By understanding how cutting tools interact with materials, engineers can create designs that are both functional and manufacturable. Below are practical CNC machining design tips to optimize your components.
Internal vertical corners cannot be cut perfectly square because rotating tools create radii. Specify corner radii slightly larger than standard tool sizes to avoid custom tooling costs. A general rule is 1.5 times the tool diameter or deeper for accessibility. This allows Brightstar's machinists to use efficient, readily available cutters.
Deep cavities present challenges. The design for CNC machining guideline recommends keeping feature depth no more than three to four times the tool diameter. Deeper features require specialized long-reach tools that are less rigid, prone to deflection, and slower cutting. Consider designing deep pockets with varying depths when possible.
Thin wall sections flex during machining, causing vibration, poor surface finish, and dimensional inaccuracies. For metals, maintain wall thickness above 0.8 mm (0.03 inches); for plastics, above 1.5 mm (0.06 inches). Thicker walls ensure rigidity and allow higher cutting speeds.
For threaded holes, use standard tap sizes rather than custom thread forms. Specify sufficient thread depth—generally 1.5 times the thread diameter for blind holes—to ensure proper engagement without overloading the tap.
Internal features requiring undercuts add complexity. When necessary, design them with standard lollipop cutter geometries or specify them as separate operations. These CNC machining design tips help balance functionality with manufacturing efficiency.
Selecting the right CNC machining supplier is a critical decision that impacts product quality, lead times, and overall project success. With numerous options available, engineers and product designers must evaluate potential partners against objective criteria to ensure reliable outcomes.
The ideal CNC machining manufacturer should possess equipment that matches your part requirements. Consider machine types (3-axis, 5-axis, turning centers), maximum part sizes, and available tolerances. A supplier with diverse capabilities can often complete parts in fewer operations, improving accuracy and reducing lead times. Ask about their experience with your specific materials—some shops specialize in aluminum while others excel with titanium or high-temperature alloys.
Quality consistency separates exceptional suppliers from average ones. Inquire about certification (ISO 9001, AS9100 for aerospace, ISO 13485 for medical), inspection equipment (CMM, optical comparators), and documentation practices. Reliable custom CNC machining services providers maintain rigorous quality management systems and provide certifications of conformance with every shipment.
The best suppliers serve as collaborative partners, not just order-takers. Evaluate their responsiveness during initial inquiries and their willingness to offer design feedback. Experienced machinists can identify potential manufacturability issues before production begins, saving time and money. A provider that offers design for manufacturability (DFM) feedback demonstrates commitment to your project's success.
While competitive pricing matters, the lowest quote rarely delivers the best value. Consider the balance between cost, speed, and quality. Request samples or references to verify that promised capabilities translate to actual parts. A trustworthy CNC machining manufacturer will provide transparent pricing and realistic delivery commitments.
The CNC machining process stands as a cornerstone of modern manufacturing, enabling the production of precise, complex components across virtually every industry. From aerospace and medical devices to automotive and consumer goods, this technology transforms digital designs into physical reality with unmatched accuracy and repeatability.
Throughout this guide, we have explored how CNC machining works, from initial CAD design through CAM programming, material selection, and final execution. The integration of computer control with precision tooling eliminates human variability while delivering the tight tolerances that precision manufacturing demands.
As manufacturing technology continues evolving, CNC machining remains essential for innovation. Its ability to work with diverse materials, produce intricate geometries, and scale from prototypes to production runs ensures its relevance for decades to come. For engineers and product designers, mastering the principles of this process enables better designs, more efficient production, and ultimately, superior products that perform exactly as intended.
The best way to answer what is the CNC machining process is to describe its workflow: First, engineers create a 3D CAD model of the part. The design is then imported into CAM software to generate toolpaths and output G-code. Next, operators fixture the workpiece and load the tools. Finally, the CNC machine automatically executes the program, cutting away material to produce the finished component. Quality inspections are performed throughout to verify dimensional accuracy.
CNC machining delivers exceptional precision:
• Standard tolerances: Typically ±0.13 mm
• High-precision machining: Up to ±0.0127 mm
• Influencing factors: Machine condition, tool quality, material properties, and thermal stability
CNC machining cost is influenced by several factors:
• Material selection: Exotic alloys cost more than standard metals or plastics
• Part complexity: Complex geometries require longer machining cycles
• Tolerance requirements: Tighter tolerances need slower speeds and more inspection
• Quantity and setup: Batch size affects per-part cost
• Surface finish: Special finishing requirements add expense
CNC machining time depends on multiple variables:
• Simple parts: Can complete in minutes
• Complex parts: May require hours or days
• Programming and setup: Usually takes longer than actual machining
• Material hardness: Harder materials require slower cutting speeds
• Batch size: Larger production runs amortize setup time, reducing per-part cycle time
Bring your designs to life with Brightstar's professional CNC machining services. Whether you need prototypes for testing or production runs for market launch, our team delivers components with uncompromising precision and reliability.
Getting started is simple. Upload your CAD files, and we will provide a competitive quote within hours. Our CNC machining quote process is transparent and straightforward—no hidden fees, no unexpected surprises. We review your design for manufacturability and offer feedback to optimize performance while reducing costs.
Brightstar specializes in custom CNC machining for industries ranging from aerospace to medical devices. Our advanced equipment handles complex geometries, tight tolerances, and diverse materials with ease. Benefit from fast turnaround times, rigorous quality inspection, and dedicated engineering support throughout your project.
Your next innovation deserves precision manufacturing you can trust. Contact Brightstar today to request your quote and discover why engineers choose us as their reliable machining partner. Let's build something exceptional together.